| 注意:访问本站需要Cookie和JavaScript支持!请设置您的浏览器! • 打开购物车 • 查看留言 • 付款方式 • 联系我们 |
![]() |
| 首页 | 电子入门 | 学单片机 | 免费资源 | 下载中心 | 商品列表 | 象棋在线 | 在线绘图 | 加盟五一 | 加入收藏 | 设为首页 |
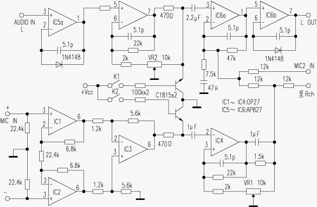
| 选择分类:当前分类——音响功放 相关联或者相类似的文章: 用万用表测可控硅(197) 100W纯直流高保真功放(196) “永动摆”演示电路(195) 微型PIC16F84编程器的制作(195) 用运放驱动的高性能功放(194) 电视机改制音频示波器(转载,英文)(192) 从内部寻找人才(190) 用89C2051制作八路断线数显报警器(188) 电子实验板放大图片!我请人拍的照(185) 感抗与容抗计算器(182) 实验直流日光灯电路(182) 判别红外接收头引脚方法(178) Hi-Fi配音控制放大器制作(176) 制作无线鼠标(175) 单片机七彩心形流水灯套件(172) 自制PIC16F84单片机学习套件(170) 具有识别功能的电子门铃(169) 制作LED灯的应知事项(168) 用与非门制作的电子蜡烛(168) 多媒体Hi-Fi功放DIY(166) 首页 前页 后页 尾页 本站推荐: | Hi-Fi配音控制放大器制作
该配音控制放大器适合于文艺团体作朗诵以及婚庆录像刻入光盘过程中话音与音乐的混音用途。 1、 本站不保证以上观点正确,就算是本站原创作品,本站也不保证内容正确。 2、如果您拥有本文版权,并且不想在本站转载,请书面通知本站立即删除并且向您公开道歉! |
|
本站协议 |
版权信息 |
关于我们 |
本站地图 |
营业执照 |
发票说明 |
付款方式 |
联系方式
深圳市宝安区西乡五壹电子商行——粤ICP备16073394号-1;地址:深圳西乡河西四坊183号;邮编:518102 E-mail:51dz$163.com($改为@);Tel:(0755)27947428 工作时间:9:30-12:00和13:30-17:30和18:30-20:30,无人接听时可以再打手机13537585389 |