注意:访问本站需要Cookie和JavaScript支持!请设置您的浏览器! 打开购物车 查看留言付款方式联系我们
初中电子 单片机教材一 单片机教材二
搜索上次看见的商品或文章:
商品名、介绍 文章名、内容
首页 电子入门 学单片机 免费资源 下载中心 商品列表 象棋在线 在线绘图 加盟五一 加入收藏 设为首页
本站推荐:
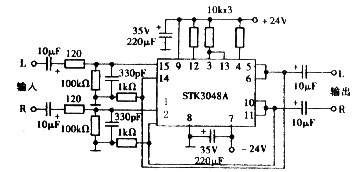
巧用STK3048A制作前置放大
文章长度[409] 加入时间[2006/7/1] 更新时间[2026/1/19 19:12:00] 级别[3] [评论] [收藏]
一般运放集成有工作电压低,输出小的缺点,而下面介绍一款可与AD827AQ媒美的前置放大。该线路工作电压高、输出大、制作简单,无须作任何调整,可与功放共用一组电源。在新窗口打开查看!制作十分简单只有十多个元件,有条件可选用WIMA、ELNA电容、进口金属膜五色环电阻,而IC用进口拆机件,购不到可以用普通品代替,效果也不错。然后把制好的的线路板装进功放,步步高AB115VCD,澳威格功放,自制土炮音箱。开机一试焕燃一新,没想到效果有这么好,几乎在笔者想象之外。高音变得通透、细腻,偏硬低音变得富有弹性,听起来十分舒畅。如果感兴趣,不妨试一试.
1、 本站不保证以上观点正确,就算是本站原创作品,本站也不保证内容正确。
2、如果您拥有本文版权,并且不想在本站转载,请书面通知本站立即删除并且向您公开道歉! 以上可能是本站收集或者转载的文章,本站可能没有文章中的元件或产品,如果您需要类似的商品请 点这里查看商品列表!
本站协议 | 版权信息 |  关于我们 |  本站地图 |  营业执照 |  发票说明 |  付款方式 |  联系方式
深圳市宝安区西乡五壹电子商行——粤ICP备16073394号-1;地址:深圳西乡河西四坊183号;邮编:518102
E-mail:51dz$163.com($改为@);Tel:(0755)27947428
工作时间:9:30-12:00和13:30-17:30和18:30-20:30,无人接听时可以再打手机13537585389