注意:访问本站需要Cookie和JavaScript支持!请设置您的浏览器! 打开购物车 查看留言付款方式联系我们
初中电子 单片机教材一 单片机教材二
搜索上次看见的商品或文章:
商品名、介绍 文章名、内容
首页 电子入门 学单片机 免费资源 下载中心 商品列表 象棋在线 在线绘图 加盟五一 加入收藏 设为首页
 商品分类
※ 电子制作套件 ※
入门初学套件· 单片机应用套件
无线对讲话筒· 数字钟数字电路
收音功放套件· 功放套件
电话门铃电平· 万用表电源
LED节能灯套件· 遥控开关报警
竞赛实训设计· 传感器类套件
贴片练习套件· 显示屏套件
※ 电子实验套件 ※
单片机编程器· 初学实验套件
单片机产品· 实验板元件
LCD模块下载· 面包板
※ 电子工具 ※
仪器仪表· 电钻/钻头
焊接固定· 镊钳螺丝刀
工具套装· 元件盒胶袋
※ 电子电路板 ※
万能线路板· 感光敷铜板
收音功放成品· 其它成品板
单片机类光板· 印刷电路光板
※ 电子元器件 ※
电阻· 电容
电位器可调电阻· 二极管
三极管· 发光二极管
可控硅· 场效应管
电感线圈· 晶振滤波器
蜂鸣压垫片· 保险管灯泡
数码管点阵· 继电器干簧管
※ 贴片元器件 ※
贴片二极管· 贴片电阻/容
贴片三极管· 贴片常用IC
贴片40/74系· 贴片电感开关
贴片单片机·
※ 五金塑胶线材 ※
开关· IC插座
插头插座· 杜邦插接件
旋钮· 热缩管
电动机· 电子导线
连接线· 散热片
螺丝弹簧· 电池盒扣
电子制作盒·
※ 集成电路IC ※
单片机芯片· CD40系列IC
配单片机IC· 74LS系列IC
74HC系列IC· 运放耦合器
收发功放IC· 电源稳压IC
音乐动物IC· LED芯片
※ 模组传感器 ※
特色传感模块· 无线模块开关
传感测试探头· 气温湿传感器
※ 日常电子产品 ※
电源变压器· 图书管资料
功放收音机· 其它产品
喇叭· 音响炮筒
※ 特价电子 ※
新品优惠· 特价商品
库存回收· 停止供货
当前位置: 首页 >>> 【图片版】 【图文版】 【文字版

注:为了提高网速,图片可能被压缩! 图片仅供参考!
mini-51单片机学习开发板散件
商城价格:¥29.90 元  免费注册有礼送
贵宾价格:¥25.42 元  加入贵宾更优惠
单件重量:78 克(仅供参考,包装重量另计)
  货源充足 支持零售   加入收藏  我要评论
点这里将商品放入购物车 

如果您喜欢该商品,您可以放入购物车!当您选好商品后,您可以留下您的地址和电话并提交订单,本站会按顺序处理!

请您放心,提交订单并不表示必需购买。 提交订单仅仅是信息交流的一种方法,仅仅只代表了您临时的潜在需求,您完全可以决定不购买,并且不需要任何理由。

注:本站图片仅供参考!因各种原因,图片与实物不一定相符,不便之处敬请谅解!我们会尽快改良!

mini-2 51单片机学习开发板配的是散件,需自己组装的,包含印刷电路板,板上的所有元件,STC89C52芯片,含软件,源程序+视频,送海量资料;如果大家有一定的基础的话,应该是一次性安装成功,安装好的实物如下图所示:安装好后大家就可以学习,实验,开发单片机产品了。

本站极力推荐大家自已动手,学习就是一个动手的过程,只有在不断的操作练习过程中,大家就自然而然的学到你想学和不想学的知识和技能,记忆并且深刻。哪怕多年以后,就算你不从事此工作,在某一处看到相关产品的时候,你都会记忆犹新。学习单片机理论+实践=能力。

无能你有没有电子基础只要你想学,就可以直接买本套件动手操练起来,本板配的基本元件都是插件元件,相对于贴片元件体积大,容易识别,容易焊接。如果你实在没有时间安装直接购买本站的其它成品。

该板可以对STC89C51、STC89C52、STC一系列的芯片进行编程实验开发,若配上40脚转20脚插座也可对STC12C1052、STC12C2052、STC一系列20脚等芯片进行实验开发。

安装好的实物图如下:

 

功能介绍

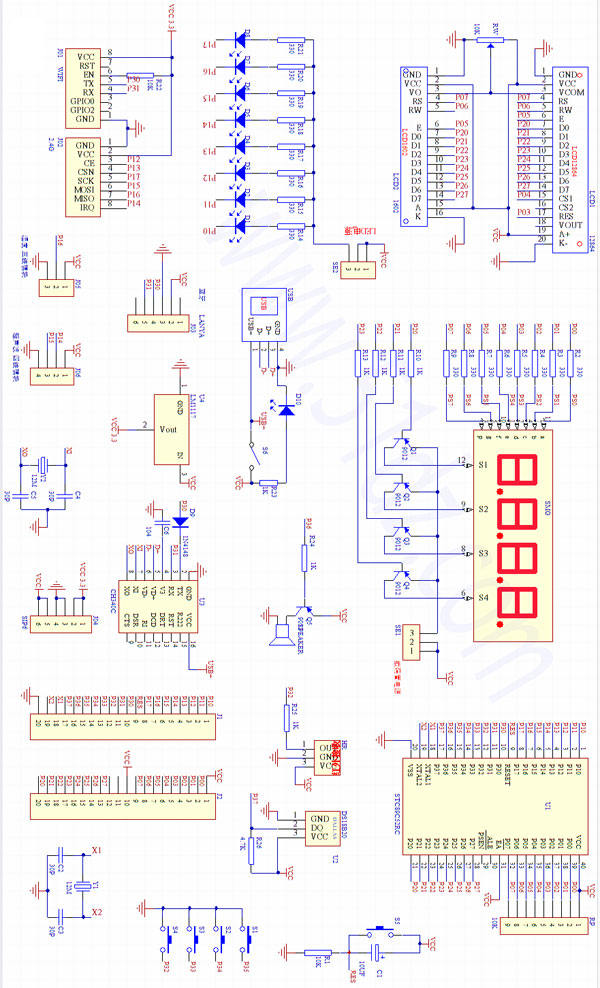
电路原理和原理图  

学单片机是一项非常重视动手实践的,不能总是看书,但是学习它首先必须得看书,因为从书中你需要大概了解一下,单片机的各个功能寄存器,说明白点,我们使用单片机就是用软件去控制单片机的各个功能寄存器,再说明白点,就是控制单片机那些管脚的电平什么时候输出高,什么时候输出低。而由这些高低电平的变化来控制由单片机为核心的系统板。从而实现我们需要的各个功能。对于看书,我们只需大概看看了解一个单片机各个管脚都是干什么的?都有什么样的功能,能实现什么样的功能?其实第一次,第二次你可能都看不明白,但这不要紧,因为你没有和实际的物体建立起来这样一种互通的观念,所以我总是说,学单片机看书看两三天的时间就够了,看小说你一天能看五六本,看单片机你两三天看两三边就够了,而且可以不用很仔细的看。大概了解一下书上的内容后,就开始做实践,这是非常关键的,如果说学单片机你不做实践那是不可能学会的,关于做实践有两种方法你可以选择,一种方法:你自己花钱买一块单片机的学习板,不要求功能太全的,对于初学者来说你买功能非常多的那种板子,上面有很多东西你这辈子都用不着,我建议有流水灯,有数码管,有按键,有蜂鸣器,这就差不多了,如果上面我提到的这些东西你能让它都熟练工作了,那可以说对于单片机方面的硬件你已经入门了,再剩下的就是自己练习设计其它电路,这需要你练习,不断的积累经验,只要过了第一关,后面的路就好走多了,万事开头难,大<家可能都听过。本板仅提供给大家自由发挥,本站还有还有其它两款实验板可供大家选用

    

 

 

参考制作视频点击: mini-2单片机学习开发板制作视频https://www.bilibili.com/video/


查看和发表评论
管理员一般会在8-48小时内回复,会删除无意义的留言以及重复留言,请保证留言标题清晰,内容明确!
1、评论不代表本站观点。 另外,即使是本站原创作品,本站也不保证内容绝对正确。
2、如果您拥有本文版权,并且不想在此处发表,请书面通知本站立即删除并且向您公开道歉!

2010年优惠大酬宾:凡在本商城免费注册并且提交订单购买商品者,本站都会例行赠送《电脑钻孔的万能线路板一》一块! 查看详情
本站协议 | 版权信息 |  关于我们 |  本站地图 |  营业执照 |  发票说明 |  付款方式 |  联系方式
深圳市宝安区西乡五壹电子商行——粤ICP备16073394号-1;地址:深圳西乡河西四坊183号;邮编:518102
E-mail:51dz$163.com($改为@);Tel:(0755)27947428
工作时间:9:30-12:00和13:30-17:30和18:30-20:30,无人接听时可以再打手机13537585389